Forum Replies Created
-
AuthorPosts
-
MasaoParticipantYou are right on the statement ” I strongly believe something on main application is bugging down to this issue.” and since Coercion Dot appears in your sample, your main application also has that capability. Even the program works yesterday, there is no assurance it would work tomorrow if we don’t know the real cause of it.
I believe that the Dot is the only clue to solve this issue, which is not acceptable from the software security view point.
Also I have another issue with the SPI protocol of the AAS33001. The protocol is one of standard and it uses duplex operation mainly.
So that I need SPIMaster_SingleReadWrite definitely. If you wouldn’t develop this function, I have to move another option.Regards,
Masao
MasaoParticipantAlthough you notice about Coercion Dot, this dot has been introduced from your example, i.e. https://digiajay.com/forums/topic/error-ft4222_device_not_supported/#post-2870

I think you are obligated to find the cause of this dot appear in your code.
What do you think?
MasaoParticipantTEST MESSAGE
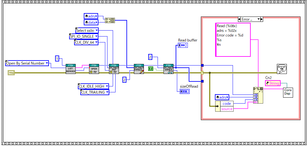
MasaoParticipantHi Ajay-san
Unfortunately no difference happened.
Revised code is below


Please note that I am using MODE3, which doesn’t generate serial number and I don’t understand
use Open by serial number.Beside I tested with MODE0, which generates FT4222 A and B,
I tested both FT4222 A and B. Both generate same error before.
Since Visual Studio works fine with MODE3, this issue came from LabVIEW interface to DLL.
What do you think?
-
AuthorPosts